供应全风鼓风机 多翼式离心风机 750W单相/三相通风换气抽风机










用途:
印刷机械、燃烧机、塑料押出机、吹袋机、淋膜机、制果机械、集尘机、环境机械、热风发生机、粉粒体输送、厨房机械、木工机械、干燥机、焚化炉、恒温箱、机械冷却、一般送风
特点:
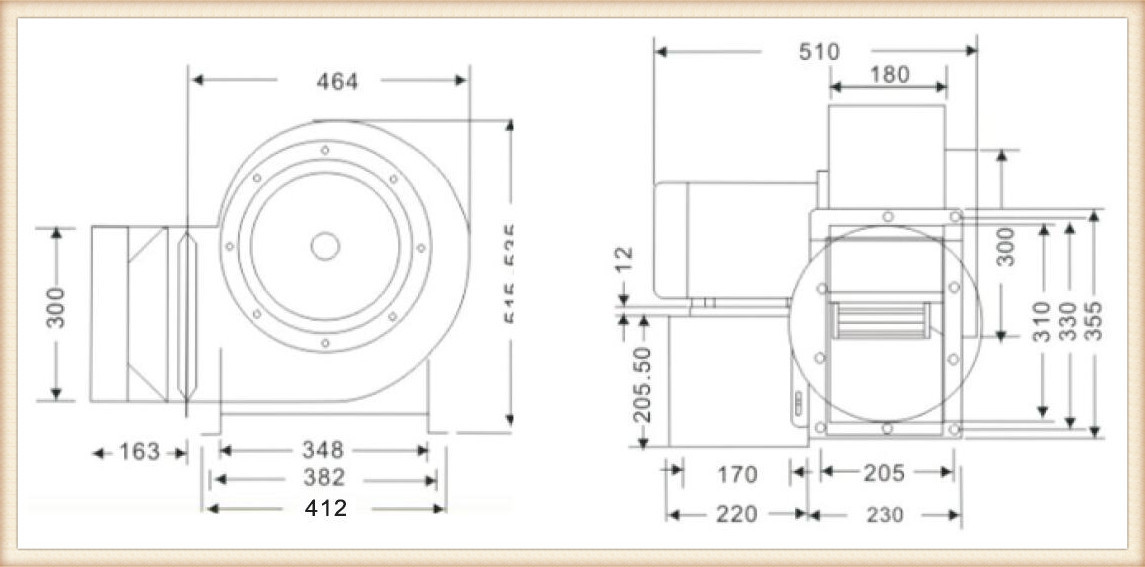
高压、大风量、低噪音、轻量化。
采用铝合金材质,大幅降低重量,达到轻量化的目的。
马达为I.E.C设计(1HP以上),全闭外扇型铝框马达,特殊轴心设计,可适合长时间使用。
特殊叶片设计,压力高,风量大,噪音低,寿命长。
特殊风量调节风门,风量控制稳定性高,操作容易 (TX.TB.HYB适用)。
样式种类齐全,库存多,交货迅速。

